€ 0,16
€ 0,13
Laufwagen Tor 80 für Schiebetor mit 5 Stahlrollen verstellbar
Produkt nicht verfügbar
Zur Wunschliste hinzufügen
Beschreibung
Laufwagen 5-rollig für Schiebetor – Stahl, 550 kg
5-rolliger Laufwagen für freitragende Schiebetore — ein robustes Fahrelement, das speziell für schwere Tore konzipiert wurde. Dank der Pendelkonstruktion passt sich der Laufwagen automatisch an die Lage der Laufschiene an, wodurch Spannungen durch Unebenheiten des Untergrunds eliminiert werden und ein reibungsloser, störungsfreier Torlauf über viele Jahre gewährleistet ist.

Konstruktion und Funktionsprinzip
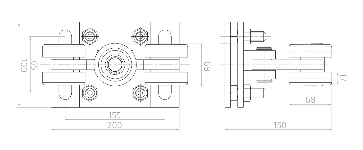
Der Laufwagen ist mit 5 Stahlrollen ausgestattet — vier vertikal angeordnete Tragrollen sowie eine horizontale Führungsrolle. Diese Anordnung gewährleistet eine stabile Abstützung der Torlaufschiene sowohl von unten als auch seitlich, was einen leisen Lauf und minimalen Verschleiß der Fahrelemente sicherstellt. Der Laufwagenkorpus ist über einen Pendelzapfen mit der Grundplatte verbunden, sodass das gesamte Rollensystem schwenken und eventuelle Montagetoleranzen ausgleichen kann. Die Höhenregulierung erfolgt über Schrauben mit Kontermuttern — damit lässt sich die Schienenhöhe relativ zu den Torpfosten präzise einstellen, ohne Distanzstücke unterlegen zu müssen.
Der Laufwagen ist für eine Schiene mit dem Profil 80 × 80 × 5 mm ausgelegt und trägt Lasten bis zu 550 kg, was ihn zu einer geeigneten Lösung für mittelgroße und große Tore macht — sowohl im Wohnbereich als auch auf Industriegeländen.

Abmessungen und technische Parameter
- Maximale Traglast: 550 kg
- Anzahl der Rollen: 5 (4 vertikale Tragrollen + 1 horizontale Führungsrolle)
- Rollenmaterial: Stahl
- Oberflächenbehandlung: Verzinkt
- Schiene: Profil 80 × 80 × 5 mm
- Abmessungen der Grundplatte: 200 × 100 mm
- Lochabstand (längs): 155 mm
- Lochabstand (quer): 65 mm
- Rollendurchmesser: 68 mm
- Rollenbreite: 17 mm
- Breite der Rollenanordnung: 68 mm
- Gesamthöhe des Laufwagens: 150 mm
- Gewicht: 5,5 kg
- EAN: 5901289674652
Vorteile für den Monteur
- Pendelkonstruktion gleicht Montagetoleranzen und Unebenheiten des Untergrunds aus
- Höhenregulierung per Schraube — schnelle und präzise Einstellung der Schienenhöhe
- Längsschlitze in der Montageplatte ermöglichen eine Lagekorrektur des Laufwagens nach der Verankerung
- Zinkbeschichtung sorgt für Korrosionsbeständigkeit unter Außenbedingungen
- Gelagerte Stahlrollen garantieren lange Lebensdauer und leisen Lauf
Ładowanie tabeli porównawczej...
Ładowanie galerii...
Technische Daten
| Anzahl Rollen [szt.] | 5 |
| Laufwagenausführung | Schwenkbar |
| Max. Tragkraft [kg] | 550 |
| Laufschienengröße | 80x80x5 |
| Laufsystemtyp | Laufsystem |
| Produkttyp | Einzelwagen |
| Rollenmaterial | Stahl |
Sicherheit
Es werden alle Bewertungen (positive und negative) angezeigt, wobei die Anzahl der Bewertungen auf der Plattform begrenzt ist. Wir verifizieren, dass sie von Kunden stammen, die das Produkt gekauft haben. Weitere Informationen finden Sie auf unserer Seite Kommentarrichtlinien.